Pfostenträger H-Form 141 mm – H Anker feuerverzinkt mit ETA-Zulassung
Massive Bodenverankerung für schwere Holzkonstruktionen im Außenbereich
Der Pfostenträger H-Form 141 mm, auch bekannt als H Anker 140 mm, ist die professionelle Lösung für tragende Holzpfosten bei anspruchsvollen Bauprojekten. Ob Carport, Pergola, Terrassenüberdachung oder Windschutzelement – dieser H-Anker sorgt für maximale Stabilität, sichere Lastaufnahme und dauerhafte Standfestigkeit.
Durch seine massive Bauform und die geprüfte Qualität eignet sich dieser Pfostenträger besonders für Konstruktionen mit hoher Belastung. Er schafft eine sichere Verbindung zwischen Fundament und Holzpfosten und schützt das Holz zuverlässig vor direktem Erdkontakt.
Was ist ein H-Anker und warum ist er so stabil?
Ein H-Anker ist ein besonders tragfähiger Pfostenträger in H-Form, der speziell für schwere Holzkonstruktionen entwickelt wurde. Die beiden seitlichen Stahlstege umfassen den Holzpfosten links und rechts und sorgen so für eine extrem formstabile Verbindung. Dadurch werden Querkräfte, Windlasten und vertikale Lasten optimal aufgenommen und sicher in das Fundament übertragen.
Im Vergleich zu einfachen U-Pfostenträgern bietet der H-Anker deutlich mehr Stabilität, da der Pfosten beidseitig geführt wird. Das verhindert ein Verdrehen oder seitliches Ausweichen des Holzes – besonders wichtig bei freistehenden Konstruktionen wie Carports oder hohen Windschutzzäunen.
Die offene Bauform sorgt zusätzlich für eine gute Belüftung des Holzes. Das reduziert Feuchtigkeitsstau und verlängert die Lebensdauer des Pfostens erheblich.
Anwendungsbereiche
Der H Anker 140 mm wird zur Befestigung schwerer Holzkonstruktionen eingesetzt, insbesondere bei:
- Carports
- Terrassenüberdachungen
- Pergolen
- Windschutzzäunen
- Sichtschutzelementen
- Holzständerkonstruktionen
- Gartenhäusern
Überall dort, wo hohe Lasten sicher in ein Fundament abgeleitet werden müssen, ist dieser Pfostenträger die richtige Wahl.
Montage
Die Montage erfolgt entweder über ein Köcherfundament oder durch direktes Einbetonieren in ein Streifen- oder Punktfundament. Der untere Ankerbereich wird im Beton verankert und sorgt für eine feste Verbindung zwischen Fundament und Stahlträger.
Nach dem Aushärten des Betons wird der Holzpfosten eingesetzt und durch Schraub- oder Bolzenverbindungen sicher befestigt. Wichtig ist eine präzise Ausrichtung während des Betonierens, um eine exakte Lotstellung des Pfostens zu gewährleisten.
Technische Eigenschaften & Maße
- Typ: Pfostenträger H-Form / H Anker
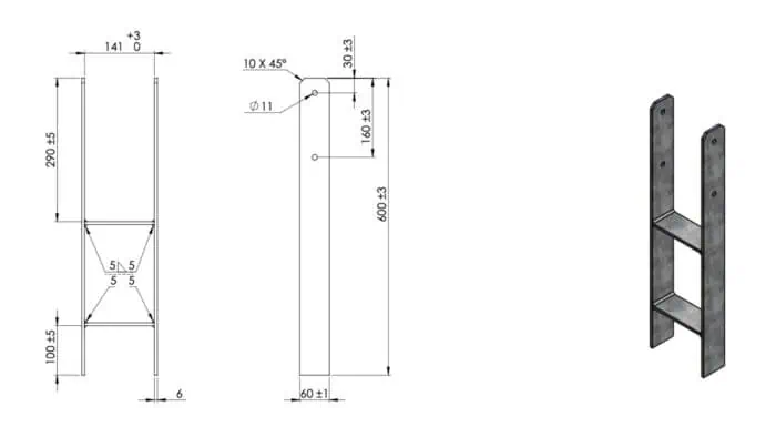
- Maß: 141 mm (geeignet für 140 mm Holzpfosten)
- Breite Innen: 141 mm | Breite Anker: 60 mm | Länge: 600 mm
- Mit Europäischer Technischer Zulassung (ETA-13/1063)
- Stahlqualität: S 235 JR gemäß EN 10025:2004
- Korrosionsschutz: rundum feuerverzinkt
- Zinkschichtdicke: ca. 55 μm gemäß DIN EN 1461
Die hochwertige Stahlqualität sorgt für hohe Tragfähigkeit und Formstabilität. Die Feuerverzinkung schützt den H-Anker zuverlässig vor Korrosion – selbst bei dauerhafter Nutzung im Außenbereich.
Vorteile des H Ankers 140 mm
Maximale Stabilität
Durch die H-Form wird der Pfosten beidseitig geführt und optimal gegen seitliche Kräfte gesichert.
Geprüfte Sicherheit
Mit Europäischer Technischer Zulassung (ETA-13/1063) für verlässliche Bauqualität.
Langlebiger Korrosionsschutz
Feuerverzinkte Oberfläche mit ca. 55 μm Zinkschicht schützt dauerhaft vor Rost.
Ideal für schwere Konstruktionen
Perfekt geeignet für tragende Bauteile mit hoher Wind- und Gewichtslast.
Holzschutz durch Abstand zum Boden
Kein direkter Erdkontakt – weniger Feuchtigkeit, weniger Fäulnis, längere Lebensdauer.
Warum du dich für diesen Pfostenträger entscheiden solltest
Ein solides Fundament entscheidet über die Lebensdauer deiner gesamten Konstruktion. Mit dem H Anker 140 mm investierst du in Sicherheit, Stabilität und Qualität. Er ist die professionelle Lösung für alle, die keine Kompromisse bei Tragfähigkeit und Haltbarkeit eingehen möchten.
Ob für private Bauprojekte oder gewerbliche Anwendungen – dieser Pfostenträger sorgt dafür, dass deine Holzkonstruktion dauerhaft sicher steht.




















