Winkelverbinder mit Steg 70/70/55 mm | ETA-zugelassen
Hochstabile Verbindungslösung für Holz- und Holz-Beton-Anschlüsse
Der Winkelverbinder mit Steg ist die professionelle Lösung für tragfähige und dauerhaft sichere Holzverbindungen. Dank des integrierten Verstärkungsstegs bietet dieser Winkel eine besonders hohe Stabilität und ist ideal für Konstruktionen, bei denen große Kräfte sicher übertragen werden müssen.
Ob Holz-Holz-Verbindung oder Befestigung von Kanthölzern auf Mauerwerk und Beton – dieser Winkelverbinder sorgt für eine kraftschlüssige, zuverlässige Verbindung im Innen- und Außenbereich.
Mit Europäischer Technischer Zulassung
Der Winkelverbinder verfügt über die Europäische Technische Zulassung (ETA-09/0134). Diese Zulassung bestätigt die geprüfte Tragfähigkeit und Einsatzsicherheit im konstruktiven Holzbau. Damit erhältst du ein Verbindungselement, das den Anforderungen moderner Bauprojekte gerecht wird.
Was macht den Winkelverbinder mit Steg besonders?
Der große Verstärkungssteg sorgt für zusätzliche Stabilität im Winkelbereich. Dadurch werden horizontale und vertikale Kräfte optimal aufgenommen und sicher weitergeleitet. Besonders bei Anschlüssen von Sparren, Pfetten oder tragenden Balken ist diese verstärkte Ausführung entscheidend für eine dauerhafte und belastbare Konstruktion.
Im Vergleich zu einfachen Winkelverbindern ohne Steg bietet diese Variante eine deutlich höhere Verwindungssteifigkeit und Tragfähigkeit.
Anwendungsbereiche
- Holz-Holz-Verbindungen
- Befestigung von Kanthölzern auf Beton oder Mauerwerk
- Sparren- und Pfettenanschlüsse
- Tragende Balkenverbindungen
- Carports, Pergolen und Dachkonstruktionen
- Holzrahmen- und Ständerbau
Überall dort, wo hohe Kräfte übertragen werden müssen, ist dieser Winkelverbinder die richtige Wahl.
Montagehinweise
Die Befestigung im Holz erfolgt mit Sondernägeln oder Kammnägeln Ø 4,0 x 40 mm, Tragfähigkeitsklasse 3/C, mit profilierter Nagellänge lef ≥ 31 mm. Alternativ können Bolzen Ø 10 mm oder Spanplatten/Spenglerschrauben 4,5 mmverwendet werden.
Anschluss Träger / Winkelverbinder:
Die Kammnägel sollten möglichst dicht an der Biegelinie in den tragenden Balken eingeschlagen werden, um eine optimale Kraftübertragung zu gewährleisten.
Anschluss Pfette / Winkelverbinder:
Die unteren Nagellöcher bleiben unbesetzt. Anzahl und Länge der Kammnägel richten sich nach der jeweiligen Belastungssituation.
Eine fachgerechte Montage gemäß Zulassung ist Voraussetzung für die volle Tragfähigkeit.
Technische Eigenschaften
- Typ: Winkelverbinder mit Verstärkungssteg
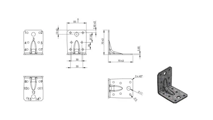
- Maße: 70/70/55/2,5 mm
- Mit Europäischer Technischer Zulassung (ETA-09/0134)
- Stahlqualität: DX51D + Z 275 gemäß DIN EN 10327:2004
- Korrosionsschutz: 275 g/m² beidseitig verzinkt
- Zinkschichtdicke: ca. 20 μm
Die hochwertige Stahlqualität sorgt für hohe Belastbarkeit und Formstabilität. Die beidseitige Verzinkung schützt zuverlässig vor Korrosion und macht den Winkelverbinder auch für den Einsatz im Außenbereich geeignet.
Vorteile auf einen Blick
Hohe Tragfähigkeit
Der Verstärkungssteg sorgt für zusätzliche Stabilität bei hohen Lasten.
Geprüfte Sicherheit
Mit ETA-Zulassung für verlässliche und normgerechte Bauausführung.
Vielseitige Einsatzmöglichkeiten
Geeignet für Holz-Holz- sowie Holz-Beton-Verbindungen.
Korrosionsgeschützt
275 g/m² Verzinkung schützt dauerhaft vor Rost.
Professionelle Lösung für anspruchsvolle Konstruktionen
Ideal für tragende Anschlüsse im konstruktiven Holzbau.
Warum du dich für diesen Winkelverbinder entscheiden solltest
Wenn es um tragende Holzverbindungen geht, darf es keine Kompromisse geben. Der Winkelverbinder bietet dir geprüfte Sicherheit, hohe Tragfähigkeit und dauerhafte Stabilität. Er ist die richtige Wahl für Bauprojekte, bei denen Zuverlässigkeit und Belastbarkeit im Vordergrund stehen.
Setze auf geprüfte Qualität mit ETA-Zulassung und sichere dir eine langlebige, stabile Verbindung für dein nächstes Holzbauprojekt.





















